Deksel voor verticale bocht 90° 85, dalend FS

Art.nr. 7131006 | EAN 4012195712022

0,75 mm
Productbeschrijving
Productbeschrijving
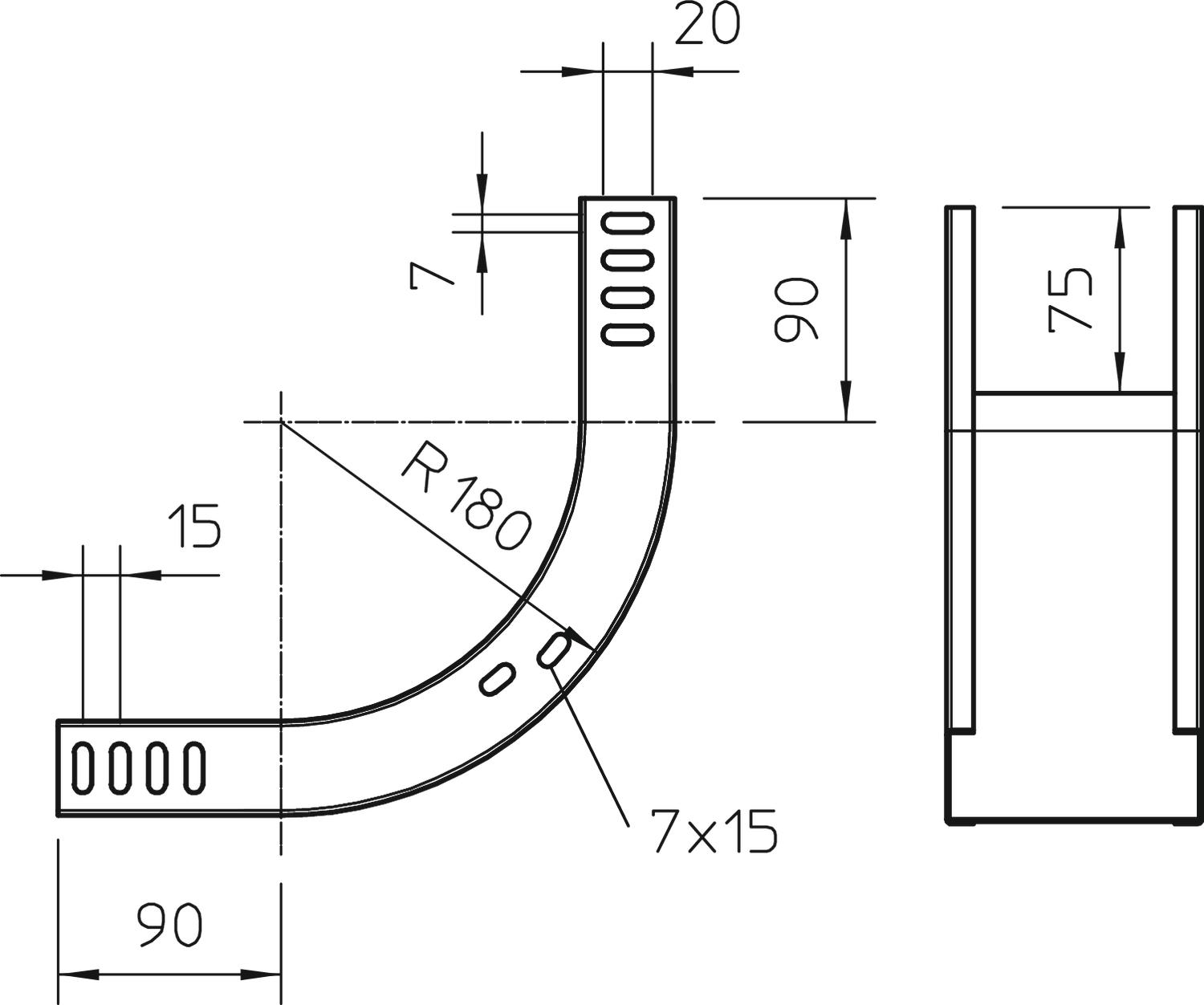
Deksel voor vallende verticale bochten met zijhoogte 85.

De bevestiging wordt door de overlapping van het kabelgootdeksel gegarandeerd. Bovendien kan het deksel met dekselklemmen worden bevestigd.

  • Communautés Européennes, EG-conformiteitsverklaring volgens EG-richtlijnen
  • CO₂ footprint (PCF)
Technische gegevens

Technische gegevens

Afbuiging (hoek) 90°
Breedte 500 mm
Breedte 20 in
CO2-voetafdruk (GWP) van wieg tot poort 4,7961 kg CO2e / 1 Stuk
Dimensie B500mm
Functiebehoud nee
Geschikt voor draadgoot nee
Geschikt voor kabelgoot ja
Geschikt voor kabelladder nee
Hoogte 85 mm
Kleur zink
Maat B 500 mm
Materiaal Staal
Oppervlak bandverzinkt
Plaatdikte 0,75 mm
Plaatdikte 0,03 in
Richtingsverandering verticaal dalend
Roestvast staal, gebeitst nee
Scharnierend nee
Type bevestiging Draaigrendel
Alle typen

Alle typen

Type Breedte Plaatdikte Art.nr. Aantal kl. VKE
DBV 85 100 F FS 100 mm 0,75 mm 7130990
1 Stuks
DBV 85 200 F FS 200 mm 0,75 mm 7130994
1 Stuks
DBV 85 300 F FS 300 mm 0,75 mm 7130998
1 Stuks
DBV 85 400 F FS 400 mm 0,75 mm 7131002
1 Stuks
DBV 85 500 F FS 500 mm 0,75 mm 7131006
1 Stuks
DBV 85 600 F FS 600 mm 0,75 mm 7131010
1 Stuks
Downloads

Download

Download

Download

DBV 85 500 F FS / 7131006
Download