Kabelladder LG 110, 3 m VS FS

Art.nr. 6216416 | EAN 4012195065203

3000 mm
1,5 mm
nee
Staal
bandverzinkt
Productbeschrijving
Productbeschrijving
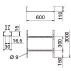
Kabelladder met geperforeerde zijkant, zijhoogte 110 mm, met vastgeklonken, naar boven toe geopende C-profielsporten.
Magnetische afschermingsdemping zonder deksel 10 dB, met deksel 15 dB

De kabelladder wordt in samengevouwen toestand geleverd.

De bijpassende beugelklem type BS-H... vindt u in het gedeelte Verticale Laddersystemen.

  • Magnetische afschermingsdemping
  • Communautés Européennes, EG-conformiteitsverklaring volgens EG-richtlijnen
  • UKCA conformiteitsverklaring
  • Kabelladder, zijhoogte 110 mm
  • Environmental Product Declaration (EPD)
  • CO₂ footprint (PCF)
Technische gegevens

Technische gegevens

Afmetingen 110x600x3000
Bevestiging van de sport blind geklonken
Breedte 600 mm
CO2-voetafdruk (GWP) van wieg tot poort 11,3076 kg CO2e / 1 Meter
Dimensie 110x600x3000
Functiebehoud nee
Hoogte 110 mm
Kleur zink
Lengte 3000 mm
Maat B 600 mm
Materiaal Staal
Nuttige doorsnede 56800 mm²
Nuttige doorsnede 568 cm²
Oppervlak bandverzinkt
Plaatdikte 1,5 mm
Roestvast staal, gebeitst nee
Sleufmaat sport 16,50
Sportafstand 300 mm
Steunafstand 2,0 m 3,1 kN/m
Steunafstand 2,5 m 2 kN/m
Steunafstand 3,0 m 1,4 kN/m
Steunafstand 3,5 m 0,9 kN/m
Steunafstand 4,0 m 0,65 kN/m
Steunafstand 4,5 m 0,55 kN/m
Steunafstand 5,0 m 0,5 kN/m
Steunafstand 6,0 m 0,15 kN/m
Uitvoering van de sporten Profiel geperforeerd
Uitvoering van de zijkant Vlak profiel
Verspanuitvoering nee
Zijperforatie ja

Technische gegevens

Belastingsdiagram kabelladder LG 110 VS

Belastingsdiagram kabelladder LG 110 VS
  • Toegestane kabelgoot-/kabelladderbelasting in kN/m zonder manlast Toegestane kabelgoot-/kabelladderbelasting in kN/m zonder manlast
  • Steunafstand in m Steunafstand in m
  • Zijkantdoorbuiging in mm bij toegestane last in kN/m Zijkantdoorbuiging in mm bij toegestane last in kN/m
  • Belastingschema bij testmethode Belastingschema bij testmethode
  • Belastingscurve met kabelgoot-/kabelladderbreedte in mm Belastingscurve met kabelgoot-/kabelladderbreedte in mm
  • Zijkantdoorbuigingscurve afhankelijk van de steunafstand Zijkantdoorbuigingscurve afhankelijk van de steunafstand
Alle typen

Alle typen

Type Lengte Breedte Plaatdikte Functiebehoud Materiaal Oppervlak Art.nr. Aantal kl. VKE
LG 112 VS 3 FS 3000 mm 200 mm 1,5 mm nee Staal bandverzinkt 6216404
3 m
LG 113 VS 3 FS 3000 mm 300 mm 1,5 mm nee Staal bandverzinkt 6216407
3 m
LG 114 VS 3 FS 3000 mm 400 mm 1,5 mm nee Staal bandverzinkt 6216410
3 m
LG 115 VS 3 FS 3000 mm 500 mm 1,5 mm nee Staal bandverzinkt 6216413
3 m
LG 116 VS 3 FS 3000 mm 600 mm 1,5 mm nee Staal bandverzinkt 6216416
3 m
Toebehoren

Systeemtoebehoren

Producten Type Art.nr. Aantal kl. VKE
Deksel met draaigrendel FS Deksel met draaigrendel FS DRL 600 FS 6052606
3 m
Koppelplaat LVG FS Koppelplaat LVG FS LVG 110 FS 6216545
10 Stuks
Hoekverbinder FS Hoekverbinder FS LWVG 110 FS 6216587
10 Stuks
Scharnierverbinder 110 FS Scharnierverbinder 110 FS LGVG 110 FS 6216650
10 Stuks
Multifunctionele verbinder FS Multifunctionele verbinder FS LMFV 1160 FS 6225758
1 Stuks
90°-bocht 110 FS 90°-bocht 110 FS LB 90 1160 R3 FS 6225130
1 Stuks
T-stuk 110 FS T-stuk 110 FS LT 1160 R3 FS 6225298
1 Stuks
Aanbouw T-stuk 110 FS Aanbouw T-stuk 110 FS LAA 1160 R3 FS 6225918
1 Stuks
Scharnierbochtelement 110 FS Scharnierbochtelement 110 FS LGBE 1160 FS 6225498
1 Stuks
Beschermkap Beschermkap SKH 110 OR 6222553
20 Paar
Aansluitstuk FS Aansluitstuk FS LAS 110 FS 6221416
10 Stuks
Scheidingsschot 85 FS Scheidingsschot 85 FS TSG 85 FS 6062114
3 m
Hoekplaat FS Hoekplaat FS LEB 25 FS 6221203
1 Stuks
Hoekplaat FS Hoekplaat FS LEB 50 FS 6221246
1 Stuks
Downloads

Download

Download
Milieuproductdeclaratie (EPD) LG 116 VS 3 FS / 6216416 , 1.48MB , pdf
Download

Download
Download

LG 116 VS 3 FS / 6216416
Download