Verspankabelladder WKLG 110 A2

Art.nr. 6311218 | EAN 4012195037323

6000 mm
2 mm
nee
Productbeschrijving
Productbeschrijving
Verspankabelladder, met geperforeerde zijkant, met een zijhoogte van 110 mm. Bevestiging van kabels en leidingen met beugelklem type 2056.


Magnetische afschermingsdemping zonder deksel 10 dB, met deksel 15 dB

Verbinders type WRVL 110 moeten afzonderlijk worden besteld.

  • Magnetische afschermingsdemping
  • Communautés Européennes, EG-conformiteitsverklaring volgens EG-richtlijnen
  • UKCA conformiteitsverklaring
  • Verspankabelgoot, zijhoogte 110 mm
  • Environmental Product Declaration (EPD)
  • CO₂ footprint (PCF)
Technische gegevens

Technische gegevens

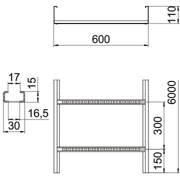
Afmetingen 110x600
Bevestiging van de sport volgeklonken
Breedte 600 mm
CO2-voetafdruk (GWP) van wieg tot poort 33,146 kg CO2e / 1 Meter
Dimensie 110x600x6000
Functiebehoud nee
Hoogte 110 mm
Kleur roestvrij staal
Lengte 6000 mm
Maat B 600 mm
Maat L 6000 mm
Materiaal Roestvast staal 1.4301
Nuttige doorsnede 566 cm²
Nuttige doorsnede 56600 mm²
Oppervlak blank, nabehandeld
Plaatdikte 2 mm
Roestvast staal, gebeitst nee
Sleufmaat sport 17,00
Steunafstand 3,0 m 2,3 kN/m
Steunafstand 3,5 m 2,25 kN/m
Steunafstand 4,0 m 2,1 kN/m
Steunafstand 4,5 m 1,83 kN/m
Steunafstand 5,0 m 1,5 kN/m
Steunafstand 6,0 m 1 kN/m
Steunafstand 7,0 m 0,7 kN/m
Uitvoering van de sporten Profiel geperforeerd
Uitvoering van de zijkant Profiel (open)
Verspanuitvoering ja
Zijperforatie ja

Technische gegevens

Belastingsdiagram verspankabelladder type WKLG 110

Belastingsdiagram verspankabelladder type WKLG 110
  • Toegestane kabelgoot-/kabelladderbelasting in kN/m zonder manlast Toegestane kabelgoot-/kabelladderbelasting in kN/m zonder manlast
  • Steunafstand in m Steunafstand in m
  • Zijkantdoorbuiging in mm bij toegestane last in kN/m Zijkantdoorbuiging in mm bij toegestane last in kN/m
  • Belastingschema bij testmethode Belastingschema bij testmethode
  • Belastingscurve met kabelgoot-/kabelladderbreedte in mm Belastingscurve met kabelgoot-/kabelladderbreedte in mm
  • Zijkantdoorbuigingscurve afhankelijk van de steunafstand Zijkantdoorbuigingscurve afhankelijk van de steunafstand
Alle typen

Alle typen

Type Lengte Breedte Plaatdikte Functiebehoud Art.nr. Aantal kl. VKE
WKLG 1120 A2 6000 mm 200 mm 2 mm nee 6311202
6 m
WKLG 1130 A2 6000 mm 300 mm 2 mm nee 6311206
6 m
WKLG 1140 A2 6000 mm 400 mm 2 mm nee 6311210
6 m
WKLG 1150 A2 6000 mm 500 mm 2 mm nee 6311214
6 m
WKLG 1160 A2 6000 mm 600 mm 2 mm nee 6311218
6 m
Toebehoren

Systeemtoebehoren

Producten Type Art.nr. Aantal kl. VKE
Koppelplaat A2 Koppelplaat A2 WRVL 110 A2 6091229
2 Stuks
90°-bocht 110 A4 90°-bocht 110 A4 WLB 90 116 A4 6312558
1 Stuks
Deksel met draaigrendel A2 Deksel met draaigrendel A2 WDRL 1116 60 A2 6227368
3 m
Scheidingsschot 85 A2 Scheidingsschot 85 A2 TSG 85 A2 6062173
3 m

Montagetoebehoren

Producten Type Art.nr. Aantal kl. VKE
Klemstuk voor de bevestiging van het scheidingsschot A2 Klemstuk voor de bevestiging van het scheidingsschot A2 KS KL A2 6062284
30 Stuks
Downloads

Download

EU Conformiteitsverklaring WKLG 1160 A2 / 6311218 , 0.13MB , pdf
Download
Milieuproductdeclaratie (EPD) WKLG 1160 A2 / 6311218 , 1.48MB , pdf
Download

Download
Download

WKLG 1160 A2 / 6311218
Download