Bliksemstroom- en overspanningsafleider 1-polig + NPE met potentiaalvrij signaal contact

Art.nr. 5093661 | EAN 4012195688433

280 V
IP20
Productbeschrijving
Productbeschrijving
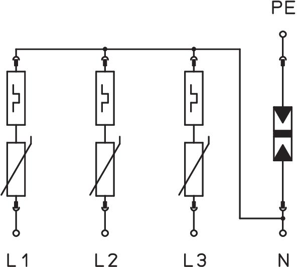
Combi-afleider, bliksem- en overspanningsafleider type 1+2 conform NEN-EN-IEC 61643-11.


• voor bliksembeveiligingspotentiaalvereffening conform VDE 0185-305 (NEN-EN-IEC 62305)
• bliksemstroomafleidvermogen 12,5 kA (10/350) per fase
• universeel geschikt voor TN- en TT-systemen
• met Multibase bodemdeel met Multi-aansluitklemmen
• complete eenheid, bestaande uit modules en bodemdeel, voorgemonteerd en aansluitklaar
• afleider, stekerbaar met dynamische scheidingsinrichting
• met optische functie-indicatie
• beveiligingsniveau < 1,3 kV
• ingekapselde, niet uitblazende zinkoxide-varistof-afleider voor toepassing in verdelerkasten
• gemarkeerde aansluitingen
• -FS variant met extern signaal (potentiaalvrij maakcontact)

Toepassing: bliksembeveiligingspotentiaalvereffening bij gebouwen ook met externe bliksembeveiliging klasse III en IV en in standaard verdelerkasten.
* Compleet = module en bodemdeel
  • 5 jaar productgarantie
  • Communautés Européennes, EG-conformiteitsverklaring volgens EG-richtlijnen
  • EurAsian Conformity
  • Gecombineerde overspanningsbeveiliging type 1 + type 2
  • Overgang van LPZ 0 naar 2
  • Multibase-basis
  • Potentiaalvrij contact
  • CO₂ footprint (PCF)
  • Packaging without plastic
Technische gegevens

Technische gegevens

Aanspreektijd <25 ns
Aantal polen 1
Afleidstroom (8/20 µs) [totaal] 50 kA
Afstandssignalisatie ja
Bedrijfstemperatuur max. 80 °C
Bedrijfstemperatuur min. -40 °C
Beschermingsgraad IP20
Beschermingsniveau [L-N] ≤1,3
Bliksempiekstroom (10/350 μs) 12,5 kA
Bliksempiekstroom (10/350) [totaal] 25 kA
CO2-voetafdruk (GWP) van wieg tot poort 1,1123 kg CO2e / 1 Stuk
Dimensie 280V
Doorsnede geleider vast (een-/meeraderig) max. 35 mm²
Doorsnede geleider vast (een-/meeraderig) min. 2,5 mm²
Geïntegreerde voorzekering nee
LPZ 0→2
Max. netzijdige overstroombeveiliging 125
Maximale afleidstootstroom (8/20 μs) 50 kA
Maximale continuespanning AC 280 V
Maximale continuspanning (N-PE) 255 V
Maximale voorverzekering 125 A
Montagetype DIN-rail 35 mm
Netvorm overige
Netvorm DC nee
Netvorm IT nee
Netvorm overig nee
Netvorm TN ja
Netvorm TN-C nee
Netvorm TN-C-S ja
Netvorm TN-S ja
Netvorm TT ja
Nominale afleidstootstroom (8/20 μs) 30 kA
Nominale afleidstootstroom (8/20 μs) [L-N] 30 kA
Nominale afleidstootstroom (8/20 μs) [N-PE] 50 kA
Nominale spanning AC (50/60 Hz) 230 V
Signalering op het apparaat optisch
SPD conform NEN-EN-IEC 61643-1 klasse I+II
SPD volgens EN 61643-11 Type 1 + 2
Temperatuurbereik max. 80 °C
Temperatuurbereik min. -40 °C
Uitblazend nee
Uitvoering 1+NPE + FS
Uitvoering van de polen 1+N/PE
Alle typen

Alle typen

Type Uitvoering van de polen Maximale continuespanning AC Beschermingsgraad Art.nr. Aantal kl. VKE
V50-B+C 3+NPE+FS 3+N/PE 280 V IP20 5093662
1 Stuks
V50-B+C 1+NPE+FS 1+N/PE 280 V IP20 5093661
1 Stuks
Downloads

Download

Download
Download
Download
Download

Download
Download

V50-B+C 1+NPE+FS / 5093661
Download