Combi-beveiliging voor ISDN- en DSL-systemen

Art.nr. 5081694 | EAN 4012196087723

5081694 / TD-2/D-HS
2
120 V
170 V
Klem
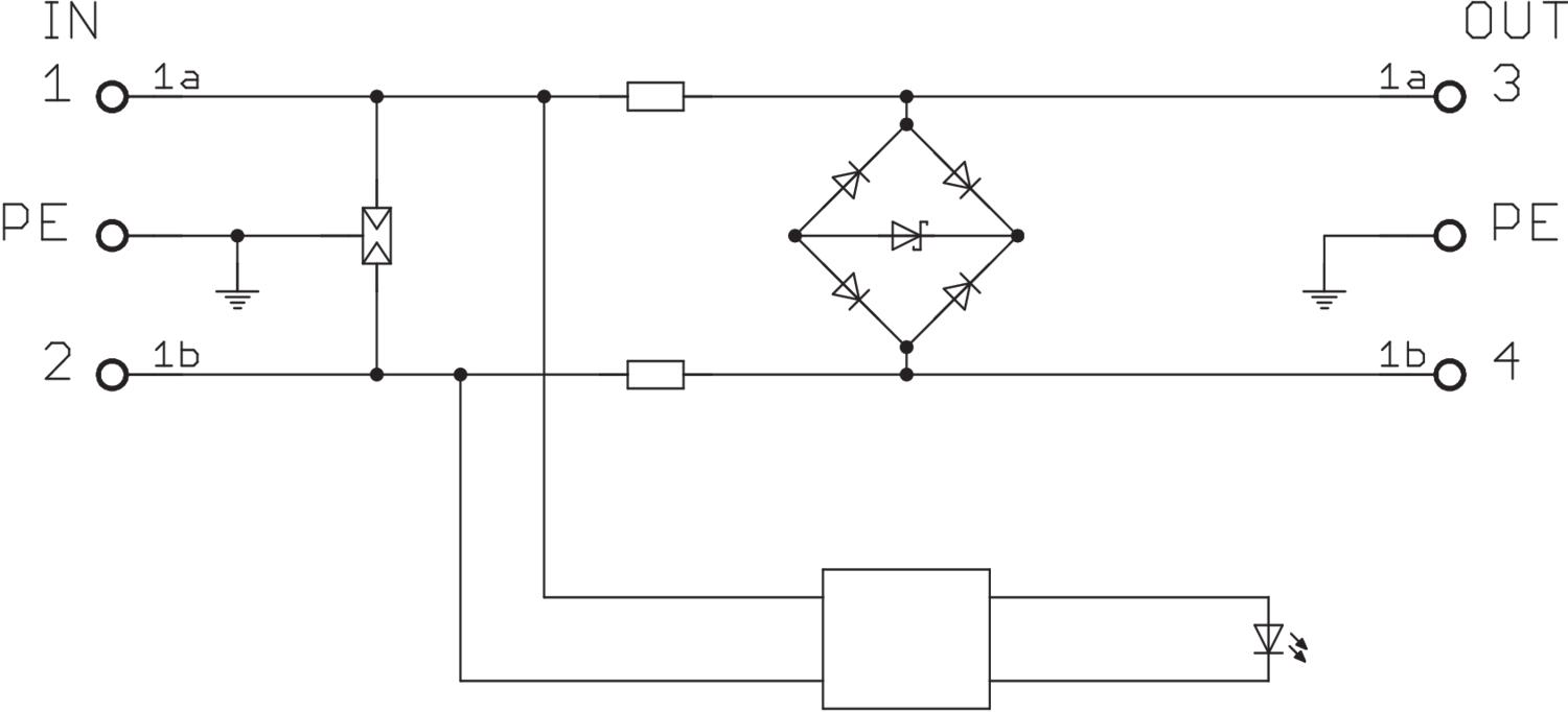
Productbeschrijving
Productbeschrijving
Datakabelbeveiligingsapparaten voor telecommunicatie-installaties

• Hoog beschermingsniveau bij hoge stroombelasting

• Schroefloze klemmen resp. stekerbaar

• Geoptimaliseerde bandbreedte voor betrouwbare overdracht

• Snelle montage op DIN-rail voor een telefoonkabel

• Optische functie-indicatie


Toepassing: DSL-systemen, ISDN of analoge telecommunicatie
  • 5 jaar productgarantie
  • Communautés Européennes, EG-conformiteitsverklaring volgens EG-richtlijnen
  • Beschermingsgraad IP 20
  • Overgang van LPZ 0 naar 2
  • Integrated Service Digital Network, ISDN-toepassingen
  • Digital Subscriber Line, DSL-toepassingen
  • Analoge telecommunicatie
  • Installation electrotechnical expertise
  • CO₂ footprint (PCF)
  • Packaging without plastic
Technische gegevens

Aansluitmogelijkheden

Aansluitdoorsnede flexibel max. 2,5 mm²
Aansluitdoorsnede flexibel min. 0,14 mm²
Aansluitdoorsnede meeraderig max. 2,5 mm²
Aansluitdoorsnede meeraderig min. 0,14 mm²
Aansluitdoorsnede vast max. 2,5 mm²
Aansluitdoorsnede vast min. 0,14 mm²
Aantal modules TE (17,5 mm) 1
Aantal polen 2
Aarding via: Aansluitleiding
Afleiderbewaking nee
Afscherming direct
Afscherming aansluiting nee
Beschermingsgraad IP20
Beschermingsniveau ader - aarde <650 V
Beschermingsniveau ader - ader <300 V
Capaciteit (ader-aarde) <50 pF
Capaciteit (ader-ader) <50 pF
CO2-voetafdruk (GWP) van wieg tot poort 0,2096 kg CO2e / 1 Stuk
Dimensie 170V
Explosieveilige uitvoering nee
Grensfrequentie 75 MHz
Impulsstroom 2,5 kA
Invoegdemping (insertion loss) ≤3 dB
Isolatieweerstand >1 MΩ
Kategorie Typ 1+2+3 / D1+C2+C1
Kleur wit
LPZ 0→3
Materiaal Kunststof
Maximale continuespanning AC 120 V
Maximale continuspanning DC 170 V
Nominale belastingsstroom AC 0,14 A
Nominale belastingsstroom DC 0,2 A
Piekstroombestendigheid ader - aarde C2: 18 kV / 9 kA (8/20µs)
Piekstroombestendigheid ader - ader C2: 18 kV / 9 kA (8/20µs)
Signalering op het apparaat optisch
SPD conform NEN-EN-IEC 61643-21 klasse I+II+III / D1+C2+C1
Standaard weerstand per ader 9 Ω ± 10 %
Steeksysteem Klem
Telefoon/telecommunicatiecontact nee
Temperatuurbereik max. 80 °C
Temperatuurbereik min. -40 °C
Testnorm IEC 61643-21
Totale afleidstroom (10/350) D1: 5 kA
Totale afleidstroom (8/20) 10 kA
Alle typen

Alle typen

Type Aantal polen Maximale continuespanning AC Maximale continuspanning DC Steeksysteem Art.nr. Aantal kl. VKE
TD-2/D-HS 2 120 V 170 V Klem 5081694
1 Stuks
Downloads

Download

Download
Download

EU Conformiteitsverklaring TD-2/D-HS / 5081694 , 0.13MB , pdf
Download

Download
Download

Voor dit product zijn geen bestekteksten beschikbaar