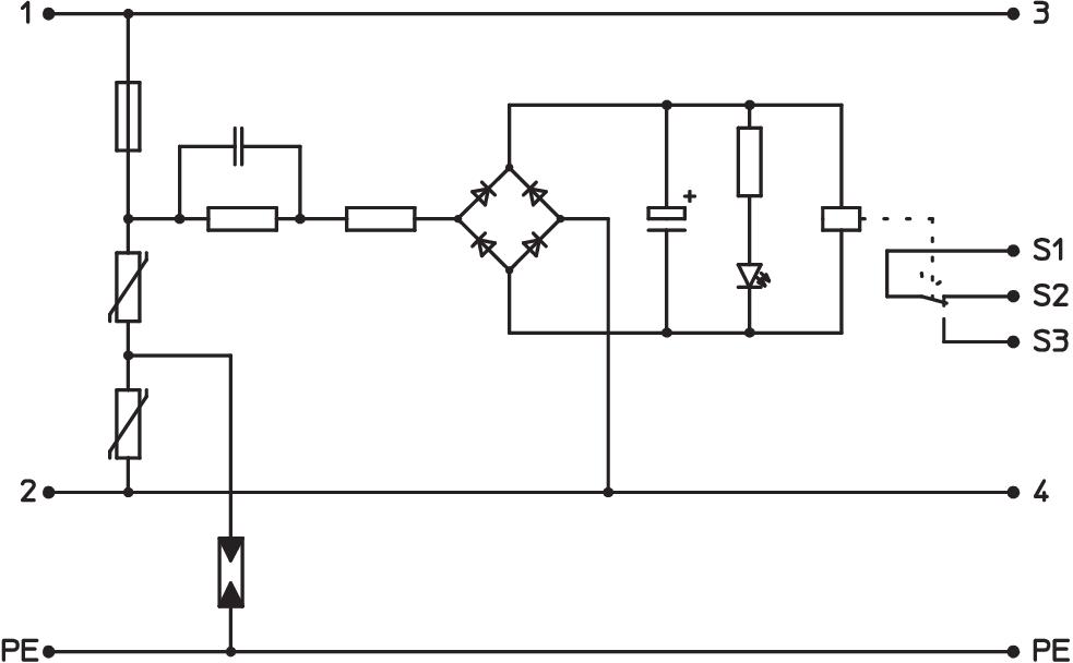
MSR-beveiliging voor 2-polige voeding met potentiaalvrij contact 230 V AC

Art.nr. 5097858 | EAN 4012195578215

5097858 / VF230-AC-FS
255 V
IP20
Productbeschrijving
Productbeschrijving
Overspanningsbeveiliging netfijnbeveiliging type 3 conform NEN-EN-IEC 61643-11 met extern contact

• Met extern contact, potentiaalvrij wisselcontact, voor functiebewaking
• Geschikt voor AC wisselspanningssystemen
• Met optische functie-indicatie
• Met montagevriendelijke, schroefloze aansluitklemmen
• In plaatsbesparende 17,5 mm rastermaat
• Y-schakeling

Toepassing: universele toepassing op 35 mm DIN-rail in standaard verdelerkast.
  • MAGYAR ELEKTROTECHNIKAI ELLENŐRZŐ INTÉZET Boedapest, Hongarije
  • 5 jaar productgarantie
  • Communautés Européennes, EG-conformiteitsverklaring volgens EG-richtlijnen
  • Overspanningsbeveiliging conform NEN-EN-IEC 61643-11
  • Overgang van LPZ 2 naar 3
  • Potentiaalvrij contact
  • Installation electrotechnical expertise
  • CO₂ footprint (PCF)
  • Packaging without plastic
Technische gegevens

Technische gegevens

Aanspreektijd <25 ns
Aantal polen 3
Afstandssignalisatie ja
Bedrijfstemperatuur max. 80 °C
Bedrijfstemperatuur min. -40 °C
Beschermingsgraad IP20
Beschermingsniveau ader - aarde <1400 V
Beschermingsniveau ader - ader <1060 V
Beschermingsniveau [L-N] ≤1000
CO2-voetafdruk (GWP) van wieg tot poort 0,8639 kg CO2e / 1 Stuk
Dimensie 230V AC
Doorsnede geleider vast (een-/meeraderig) max. 2,5 mm²
Doorsnede geleider vast (een-/meeraderig) min. 0,14 mm²
Explosieveilige uitvoering nee
FM-contacten Wisselaar
Gemeenschappelijk beschermingsniveau [L-PE] 1500 kV
LPZ 2→3
Maximale afleidstootstroom (8/20 μs) 7 kA
Maximale continuespanning AC 255 V
Montagetype DIN-rail 35 mm
Netvorm overige
Nominale afleidstootstroom (8/20 μs) 2,5 kA
Nominale spanning AC (50/60 Hz) 230 V
OBO_Nominale belastingsstroom (in-/uitgangsklem) 20 A
Signalering op het apparaat optisch
SPD conform NEN-EN-IEC 61643-1 klasse III
SPD volgens EN 61643-11 Type 3
Temperatuurbereik max. 80 °C
Temperatuurbereik min. -40 °C
Testklasse type 3 ja
Uitblazend nee
Alle typen

Alle typen

Type Maximale continuespanning AC Beschermingsgraad Art.nr. Aantal kl. VKE
VF230-AC-FS 255 V IP20 5097858
1 Stuks
Downloads

Download

Download
Download

EU Conformiteitsverklaring VF230-AC-FS / 5097858 , 0.13MB , pdf
Download

Download
Download

Voor dit product zijn geen bestekteksten beschikbaar